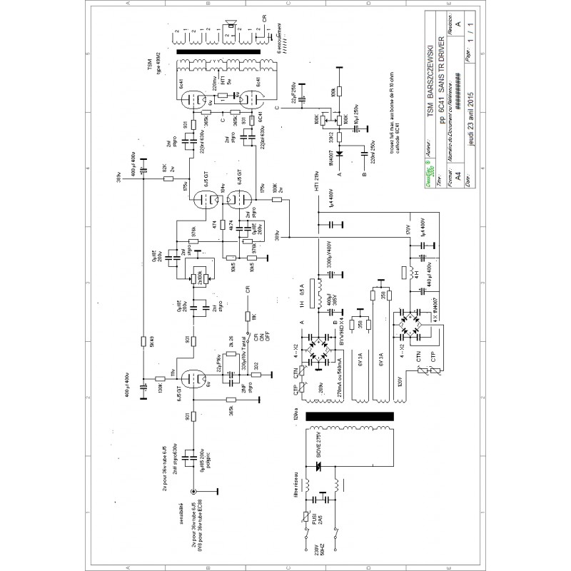
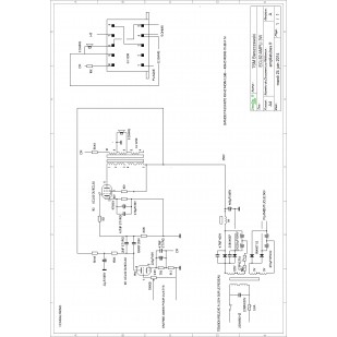
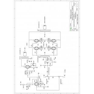
Shéma ampli à tubes puch pull 6c41 - 2x36 watts

0,00 €
TTC

Shéma ampli à tubes puch pull 6c41 - 2x36 watts

Les composants sont disponible sur notre site renseignements pat tél 01 34 66 60 94

  Fabricant depuis 1959

Société d'études, mises au point et fabrication

  Paiement sécurisé

Transaction en ligne par Carte bancaire sécurisée SSL

  Expédition +/-72h

Livraison avec suivi par Transporteur spécialisé

  01 34 66 60 94

Service client par téléphone du Lundi au Vendredi

Description

67 Produits
chat Commentaires (0)
Aucun avis n'a été publié pour le moment.