

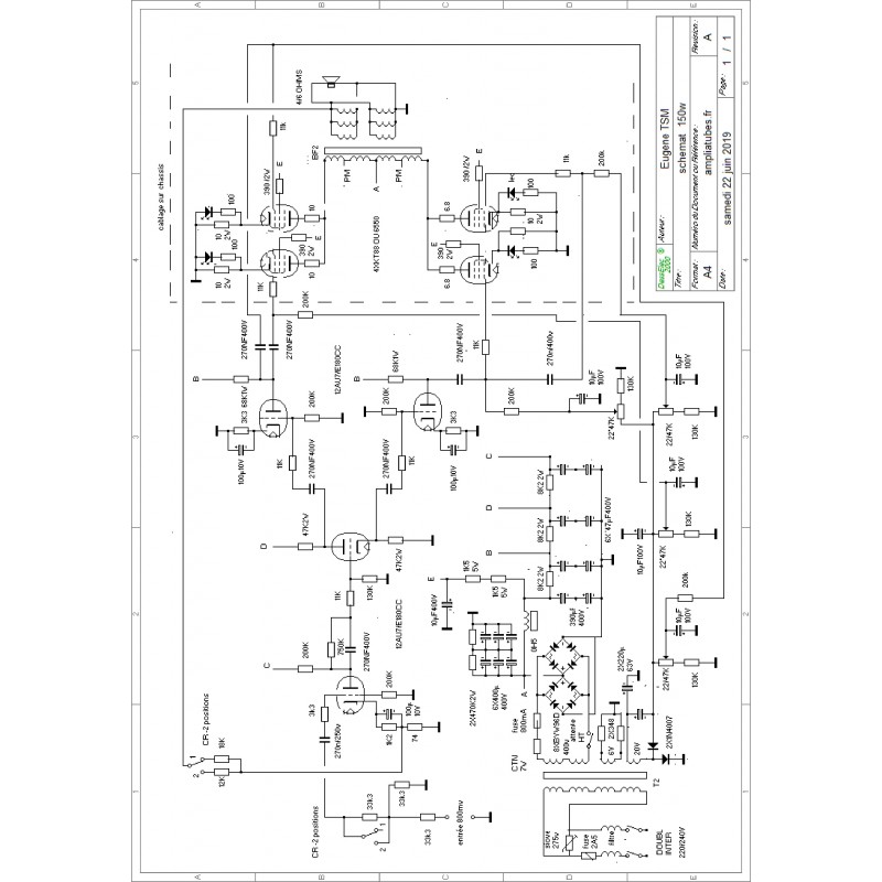
Shéma ampli à tubes puch pull - 150 watts
Les composants sont disponible sur notre site renseignements pat tél 01 34 66 60 94
Société d'études, mises au point et fabrication
Transaction en ligne par Carte bancaire sécurisée SSL
Livraison avec suivi par Transporteur spécialisé
Service client par téléphone du Lundi au Vendredi
Description